1抗跌落性能試驗
將帶包裝的攜帶型呼吸器(存放型呼吸器不做此項試驗)以不同方位角度從1.5m的高度墜落到平整的混凝土地面上6次。
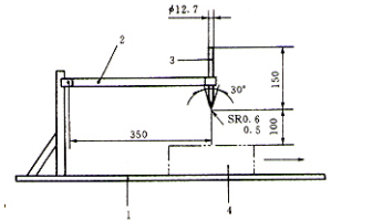
2包裝材料抗穿孔、撕裂性能試驗
試驗裝置如圖所示,安裝臂和撞擊針水平自由釋放時的有效質量為100g。將單個包裝的呼吸器放在試驗裝置上,使撞擊針釋放后能擊中呼吸器。調整撞擊針針尖至包裝表面距離100mm,釋放撞擊針,讓撞擊針保持和包裝表面的接觸,按照圖中箭頭的方向,把呼吸器輕快地拉出。重復上述試驗兩次,使撞擊針擊中包裝表面不同的部位。

更多試驗機參考思明特網站。
濟南思明特科技有限公司研發的包裝容器氣密檢測儀采用真空檢測法進行檢測,主要用于玻璃瓶、塑料瓶以及包裝用袋子等包裝容器的氣密性檢測,把試驗樣品充氣至預定壓力,將采用將被測件放置在一定負壓的透明容器中進行氣密檢測,觀察被測件是否有泄漏情況冒泡發生。
包裝容器氣密性檢測儀
標簽:試驗,檢測

壓力單位的換算關系MPa,kPa,bar,psi
水壓與氣壓的壓縮率關系
水壓試驗與氣壓試驗的區別
|