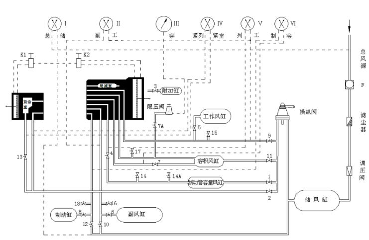
輔助閥試驗
開夾緊開關 K2, 將輔助閥卡緊在輔助閥安裝座上。 開夾緊開關 K1 將主閥座盲板卡緊在主閥座上。
緩解位漏泄試驗
開風門 6。 置一位, 將制動管容積風缸、 工作風缸、 輔助風缸壓力充至壓力穩定。
(1) 用流量計檢查緊急排風口, 漏泄量不大于 160mL/min。
(2) 檢查常用和緊急排風堵, 10s 內氣泡直徑不大于 20mm。
(3) 檢查兩排風限制堵、 各閥蓋與閥體結合部及閥體表面均不得漏泄。
制動位漏泄試驗
關風門 6。 置六位(制動管減壓 150kPa 時置三位, 停留 5~8s 后置五位),待制動管減壓 170kPa 后置三位。 關風門 13、 15。
( 1 ) 制 動 管 壓力 穩定 后 用 流 量計檢查緊急 排風 口 , 漏 泄量不 大于160mL/min。
(2) 制動管和輔助風缸壓力穩定后檢查常用和緊急排風堵, 10s 內氣泡直徑不大于 20mm。
(3) 工作風缸壓力表工 2 壓力下降值 1min 內不大于 10kPa。
(4) 試完后開風門 13、 15。
初充風試驗
置七位。 開風門 11、 16, 待制動管容積風缸、 工作風缸、 輔助風缸壓力為零時關風門 11、 16。 開風門 6。 置一位。 輔助風缸壓力由零上升至 500kPa 的時間為 10~15s, 且須繼續上升至 600kPa。
緊急靈敏度試驗
(1) 開風門 6。 置一位, 待制動管容積風缸、 工作風缸、 輔助風缸壓力充至壓力穩定后關風門 6, 置七位。
(2) 制動管減壓 80~120kPa 范圍內須發生緊急制動作用。 輔助風缸壓力降至 40kPa 的時間小于 15s。
加速緩解試驗
開風門 6。 置一位, 待制動管容積風缸、 工作風缸、 輔助風缸壓力充至壓力穩定后關風門 6; 置六位, 制動管減壓 200kPa 后置三位, 待壓力穩定后置一位。
制動管壓力充至定壓時工作風缸壓力下降不小于 25kPa。

|